CE 01
(유럽: Common Charger) USB-C Type 커넥터 강제화
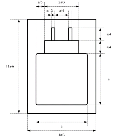
CE RED 인증의 Article 3.4에 해당하는 Common Charger 요구 사항이 2024년 12월 28일 이후부터 판매/유통되는 하기 제품군에 적용될 예정입니다. (2025년까지 제품군에 대한 확대를 진행) 유선 충전을 하는 대부분의 무선 기기에 대해, EN IEC 62680-1-3:2022 와 EN IEC 62680-1-2:2022 규격에 만족하는 USB-C Type connector를 사용해야 합니다.
<적용 되는 제품군>
- Handheld mobile phones, tablet, digital camera
- Handheld video game consoles, headphones, headsets
- Portable speakers, e-readers, keyboards
- Portable navigation systems, mice, earbuds
- Laptops (2026년 4월 28일 이후 적용 예정)
<Label_라벨>
-
충전기가 제공되는 경우
-
충전기가 제공되지 않는 경우
출처 : CE RED_Directive 2014_53_EU
CE 02
(유럽: Harmonized Standard) OJEU 업데이트
지난 10월 4일, 총 6개의 Harmonized Standard 가 Restriction 없이 OJEU에 등재되었습니다.
| ETSI Number |
Last Version |
Working Title |
Published |
Cited OJEU |
| EN 302 077 |
2.3.1 |
HS DAB transmitters VHF band III |
Sep 02 2022 |
Oct 04 2023 |
| EN 302 245 |
2.2.1 |
HS DRM transmitters |
May 20 2022 |
Oct 04 2023 |
| EN 303 132 |
2.1.1 |
Maritime survival locating device -DSC |
Oct 20 2022 |
Oct 04 2023 |
| EN 303 980 |
1.3.1 |
Non-geo NEST in the 11GHz to 14GHz [Ku band] NGSO terminals |
Oct 26 2022 |
Oct 04 2023 |
| EN 303 981 |
1.3.1 |
Non-geo WBES in the 11GHz to 14GHz [Ku band] |
Oct 26 2022 |
Oct 04 2023 |
| *EN 301 908-1 |
15.2.1 |
Part 1 update to 3GPP release 15 |
Jan 09 2023 |
Oct 04 2023 |
- * 기존 버전인 EN 301 908-1 V15.1.1 의 만료 예정일은 2025년 4월 4일 임.
출처 : (CE_02) 2014_53_EU Radio equipment - Summary list of harmonised standards
CE 03
(유럽: WAS/RLAN 5GHz) WAS/RLAN 5GHz 를 위한 Draft 발행 (EN 301 893)
ETSI 는 2023년 11월 WAS/RLAN 5 GHz를 위한 규격인 Draft ETSI EN 301 893 V2.2.0을 발행하였습니다. 기존 V2.1.1의 Sub-band가 주파수 구간별로 2개로 분류되었으나, 이번 V2.2.0의 경우 Sub-band가 주파수 구간별로 3개로 분류되었습니다.
<V2.1.1> 변경 전
|
Service Frequency band |
| Transmit |
5 150 MHz to 5 350 MHz |
| Receive |
5 150 MHz to 5 350 MHz |
| Transmit |
5 470 MHz to 5 725 MHz |
| Receive |
5 470 MHz to 5 725 MHz |
<V2.2.0> 변경 후
|
Sub-band 1 |
Sub-band 2 |
Sub-band 3 |
| Transmit |
5 150 MHz to 5 250 MHz |
5 250 MHz to 5 350 MHz |
5 470 MHz to 5 725 MHz |
| Receive |
5 150 MHz to 5 250 MHz |
5 250 MHz to 5 350 MHz |
5 470 MHz to 5 725 MHz |
출처 : (CE_03) Draft ETSI EN 301 893 V2.2.0 (2023-11)
CE 04
(유럽: SAR) EN 50360 & EN 50566 규격 업데이트
최근, RED CA를 통해 EN 50360:2017 (300MHz ~ 3GHz) 와 EN 50566:2017 (30MHz ~ 6GHz) 두 표준이 EN 62209-3 (벡터 프로브를 이용한 FAST SAR 측정 방법)을 포함하여 개정되었습니다. 해당 규격은 2023년 말 또는 2024년 상반기에 OJEU 등재될 예정입니다.
출처 : EN 50360:2017/A1:2023 & EN 50566:2017/A1:2023
CE 05
(유럽: Cyber Security) Cyber Security 시행일자 및 평가방법
현재 Cyber Security의 규정을 2024년 6월 30일까지 발행하여 2025년 8월 1일부터 시행이 가능하도록CEN/CENELEC 에서 규정을 제정 중입니다. Cyber security에 대한 평가 방법으로는 각 항목에 대한 평가 방법(decision trees)을 도입하여 규격 및 표준에 대한 명확한 방향성을 제공할 예정입니다. 첫번째 발행될 규격에는 5G Network equipment 관련 내용은 업데이트 되지 않을 예정입니다.
출처 : REDCA (23)24 Delegated Regulation Standards Cyber Update